HOME >> Services >> Partners >> FAG Bearing
FAG Bearing
IKO Bearing
INA Bearing
KOYO Bearing
NACHI Bearing
NSK Bearing
NTN Bearing
SKF Bearing
TIMKEN Bearing

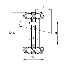
Bearing number : 54317 + U317
Size (mm) : 70x155x105
Brand : FAG
Bore Diameter (mm) : 70
Outer Diameter (mm) : 155
Width (mm) : 105
d - 70 mm
D3 - 155 mm
T3 - 105 mm
A - 39 mm
B - 19 mm
C - 17,5 mm
D - 150 mm
D1 - 88 mm
D2 - 115 mm
Da max - 115 mm
da max - 85 mm
R - 112 mm
r1 min - 1 mm
ra max - 1,5 mm
ra1 max - 1 mm
rmin - 1,5 mm
T2 - 95,2 mm
- U317 / Designation, seating washer
m - 6,27 kg / Weight
m1 - 0,803 kg
Ca - 186000 N / Dynamic load rating (axial)
C0a - 415000 N / Static load rating (axial)
A - 1,1 / Factor min. load
nG - 2260 1/min / Limiting speed
Cua - 16700 N / Fatigue limit load, axial
Main dimensions to DIN 711/ISO 104, with spherical housing locating washer and one or two seating washers, separable