HOME >> Services >> Partners >> FAG Bearing
FAG Bearing
IKO Bearing
INA Bearing
KOYO Bearing
NACHI Bearing
NSK Bearing
NTN Bearing
SKF Bearing
TIMKEN Bearing

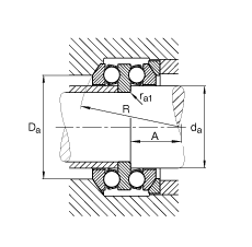
Bearing number : 54320
Size (mm) : 85x170x105.4
Brand : FAG
Bore Diameter (mm) : 85
Outer Diameter (mm) : 170
Width (mm) : 105,4
d - 85 mm
D - 170 mm
T2 - 105,4 mm
A - 42 mm
B - 21 mm
D1 - 103 mm
Da max - 135 mm
da max - 100 mm
R - 125 mm
r1 min - 1 mm
ra max - 1,5 mm
ra1 max - 1 mm
rmin - 1,5 mm
m - 8,81 kg / Weight
Ca - 240000 N / Dynamic load rating (axial)
C0a - 585000 N / Static load rating (axial)
A - 1,9 / Factor min. load
nG - 1970 1/min / Limiting speed
Cua - 21900 N / Fatigue limit load, axial
Main dimensions to DIN 711/ISO 104, separable