HOME >> Services >> Partners >> FAG Bearing
FAG Bearing
IKO Bearing
INA Bearing
KOYO Bearing
NACHI Bearing
NSK Bearing
NTN Bearing
SKF Bearing
TIMKEN Bearing

Bearing number : 6001-2Z
Size (mm) : 12x28x8
Brand : FAG
Bore Diameter (mm) : 12
Outer Diameter (mm) : 28
Width (mm) : 8
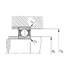
d - 12 mm
D - 28 mm
B - 8 mm
D2 - 24,5 mm
Da max - 26 mm
d1 - 16,7 mm
da min - 14 mm
ra max - 0,3 mm
rmin - 0,3 mm
m - 0,02 kg / Weight
Cr - 5400 N / Dynamic load rating (radial)
C0r - 2370 N / Static load rating (radial)
nG - 32500 1/min / Limiting speed
nB - 24200 1/min / Reference speed
Cur - 120 N / Fatigue limit load, radial
Main dimensions to DIN 625-1