HOME >> Services >> Partners >> FAG Bearing
FAG Bearing
IKO Bearing
INA Bearing
KOYO Bearing
NACHI Bearing
NSK Bearing
NTN Bearing
SKF Bearing
TIMKEN Bearing

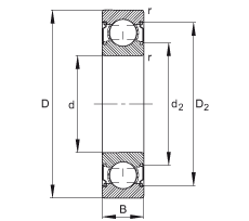
Bearing number : 6002-C-2Z
Size (mm) : 15x32x9
Brand : FAG
Bore Diameter (mm) : 15
Outer Diameter (mm) : 32
Width (mm) : 9
d - 15 mm
D - 32 mm
B - 9 mm
D2 - 29 mm
Da max - 30 mm
d2 - 18,9 mm
da min - 17 mm
ra max - 0,3 mm
rmin - 0,3 mm
m - 0,033 kg / Weight
Cr - 6000 N / Dynamic load rating (radial)
C0r - 2850 N / Static load rating (radial)
nG - 31500 1/min / Limiting speed
nB - 23200 1/min / Reference speed
Cur - 171 N / radial Fatigue limit load