HOME >> Services >> Partners >> FAG Bearing
FAG Bearing
IKO Bearing
INA Bearing
KOYO Bearing
NACHI Bearing
NSK Bearing
NTN Bearing
SKF Bearing
TIMKEN Bearing

Bearing number : 6004-C-2Z
Size (mm) : 20x42x12
Brand : FAG
Bore Diameter (mm) : 20
Outer Diameter (mm) : 42
Width (mm) : 12
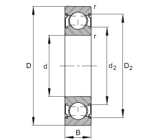
d - 20 mm
D - 42 mm
B - 12 mm
D2 - 37,7 mm
Da max - 38,8 mm
d2 - 25,1 mm
da min - 23,2 mm
ra max - 0,6 mm
rmin - 0,6 mm
m - 0,071 kg / Weight
Cr - 10000 N / Dynamic load rating (radial)
C0r - 5000 N / Static load rating (radial)
nG - 23200 1/min / Limiting speed
nB - 19700 1/min / Reference speed
Cur - 305 N / radial Fatigue limit load