HOME >> Services >> Partners >> FAG Bearing
FAG Bearing
IKO Bearing
INA Bearing
KOYO Bearing
NACHI Bearing
NSK Bearing
NTN Bearing
SKF Bearing
TIMKEN Bearing

Bearing number : 6009-2Z
Size (mm) : 45x75x16
Brand : FAG
Bore Diameter (mm) : 45
Outer Diameter (mm) : 75
Width (mm) : 16
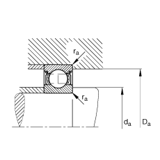
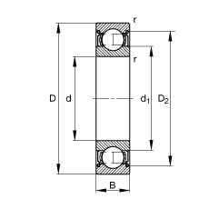
d - 45 mm
D - 75 mm
B - 16 mm
D2 - 68 mm
Da max - 70,4 mm
d1 - 54,2 mm
da min - 49,6 mm
ra max - 1 mm
rmin - 1 mm
m - 0,253 kg / Weight
Cr - 21200 N / Dynamic load rating (radial)
C0r - 14400 N / Static load rating (radial)
nG - 11200 1/min / Limiting speed
nB - 9700 1/min / Reference speed
Cur - 730 N / Fatigue limit load, radial
Main dimensions to DIN 625-1