HOME >> Services >> Partners >> FAG Bearing
FAG Bearing
IKO Bearing
INA Bearing
KOYO Bearing
NACHI Bearing
NSK Bearing
NTN Bearing
SKF Bearing
TIMKEN Bearing

Bearing number : 6014-2RSR
Size (mm) : 70x110x20
Brand : FAG
Bore Diameter (mm) : 70
Outer Diameter (mm) : 110
Width (mm) : 20
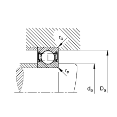
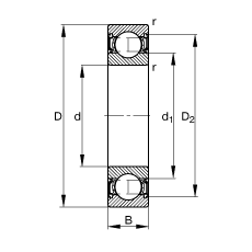
d - 70 mm
D - 110 mm
B - 20 mm
D2 - 100 mm
Da max - 104 mm
d1 - 82,8 mm
da min - 76 mm
ra max - 1 mm
rmin - 1,1 mm
m - 0,64 kg / Weight
Cr - 40500 N / Dynamic load rating (radial)
C0r - 31000 N / Static load rating (radial)
nG - 4000 1/min / Limiting speed
nB - - 1/min / Reference speed
Cur - 1850 N / Fatigue limit load, radial
Main dimensions to DIN 625-1, lip seal on both side