HOME >> Services >> Partners >> FAG Bearing
FAG Bearing
IKO Bearing
INA Bearing
KOYO Bearing
NACHI Bearing
NSK Bearing
NTN Bearing
SKF Bearing
TIMKEN Bearing

Bearing number : 6016-2Z
Size (mm) : 80x125x22
Brand : FAG
Bore Diameter (mm) : 80
Outer Diameter (mm) : 125
Width (mm) : 22
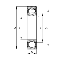
d - 80 mm
D - 125 mm
B - 22 mm
D2 - 113,7 mm
Da max - 119 mm
d1 - 93,7 mm
da min - 86 mm
ra max - 1 mm
rmin - 1,1 mm
m - 0,893 kg / Weight
Cr - 51000 N / Dynamic load rating (radial)
C0r - 40000 N / Static load rating (radial)
nG - 6300 1/min / Limiting speed
nB - 6100 1/min / Reference speed
Cur - 2340 N / Fatigue limit load, radial
Main dimensions to DIN 625-1