HOME >> Services >> Partners >> FAG Bearing
FAG Bearing
IKO Bearing
INA Bearing
KOYO Bearing
NACHI Bearing
NSK Bearing
NTN Bearing
SKF Bearing
TIMKEN Bearing

Bearing number : 6017
Size (mm) : 85x130x22
Brand : FAG
Bore Diameter (mm) : 85
Outer Diameter (mm) : 130
Width (mm) : 22
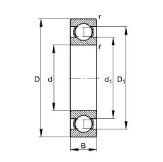
d - 85 mm
D - 130 mm
B - 22 mm
D1 - 116 mm
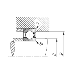
Da max - 124 mm
d1 - 99,6 mm
da min - 91 mm
ra max - 1 mm
rmin - 1,1 mm
m - 0,917 kg / Weight
Cr - 53000 N / Dynamic load rating (radial)
C0r - 43000 N / Static load rating (radial)
nG - 7100 1/min / Limiting speed
nB - 5800 1/min / Reference speed
Cur - 2430 N / Fatigue limit load, radial
Main dimensions to DIN 625-1