HOME >> Services >> Partners >> FAG Bearing
FAG Bearing
IKO Bearing
INA Bearing
KOYO Bearing
NACHI Bearing
NSK Bearing
NTN Bearing
SKF Bearing
TIMKEN Bearing

Bearing number : 6020-2Z
Size (mm) : 100x150x24
Brand : FAG
Bore Diameter (mm) : 100
Outer Diameter (mm) : 150
Width (mm) : 24
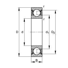
d - 100 mm
D - 150 mm
B - 24 mm
D2 - 137,3 mm
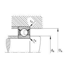
Da max - 143 mm
d1 - 116,2 mm
da min - 107 mm
ra max - 1,5 mm
rmin - 1,5 mm
m - 1,35 kg / Weight
Cr - 64000 N / Dynamic load rating (radial)
C0r - 54000 N / Static load rating (radial)
nG - 5200 1/min / Limiting speed
nB - 5100 1/min / Reference speed
Cur - 2950 N / Fatigue limit load, radial
Main dimensions to DIN 625-1