HOME >> Services >> Partners >> FAG Bearing
FAG Bearing
IKO Bearing
INA Bearing
KOYO Bearing
NACHI Bearing
NSK Bearing
NTN Bearing
SKF Bearing
TIMKEN Bearing

Bearing number : 6021
Size (mm) : 105x160x26
Brand : FAG
Bore Diameter (mm) : 105
Outer Diameter (mm) : 160
Width (mm) : 26
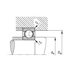
d - 105 mm
D - 160 mm
B - 26 mm
D1 - 142,4 mm
Da max - 151,2 mm
d1 - 122,1 mm
da min - 113,8 mm
ra max - 2 mm
rmin - 2 mm
m - 1,67 kg / Weight
Cr - 75000 N / Dynamic load rating (radial)
C0r - 64000 N / Static load rating (radial)
nG - 5700 1/min / Limiting speed
nB - 4950 1/min / Reference speed
Cur - 3450 N / Fatigue limit load, radial
Main dimensions to DIN 625-1