HOME >> Services >> Partners >> FAG Bearing
FAG Bearing
IKO Bearing
INA Bearing
KOYO Bearing
NACHI Bearing
NSK Bearing
NTN Bearing
SKF Bearing
TIMKEN Bearing

Bearing number : 6024-2Z
Size (mm) : 120x180x28
Brand : FAG
Bore Diameter (mm) : 120
Outer Diameter (mm) : 180
Width (mm) : 28
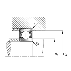
d - 120 mm
D - 180 mm
B - 28 mm
D2 - 165,4 mm
Da max - 171,2 mm
d1 - 139,4 mm
da min - 128,8 mm
ra max - 2 mm
rmin - 2 mm
m - 2,23 kg / Weight
Cr - 88000 N / Dynamic load rating (radial)
C0r - 77000 N / Static load rating (radial)
nG - 4250 1/min / Limiting speed
nB - 4450 1/min / Reference speed
Cur - 3550 N / Fatigue limit load, radial
Main dimensions to DIN 625-1