HOME >> Services >> Partners >> FAG Bearing
FAG Bearing
IKO Bearing
INA Bearing
KOYO Bearing
NACHI Bearing
NSK Bearing
NTN Bearing
SKF Bearing
TIMKEN Bearing

Bearing number : 6028-2Z
Size (mm) : 140x210x33
Brand : FAG
Bore Diameter (mm) : 140
Outer Diameter (mm) : 210
Width (mm) : 33
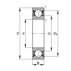
d - 140 mm
D - 210 mm
B - 33 mm
D2 - 191,3 mm
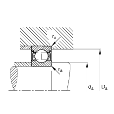
Da max - 201,2 mm
d1 - 161,9 mm
da min - 148,8 mm
ra max - 2 mm
rmin - 2 mm
m - 3,65 kg / Weight
Cr - 117000 N / Dynamic load rating (radial)
C0r - 109000 N / Static load rating (radial)
nG - 3600 1/min / Limiting speed
nB - 4050 1/min / Reference speed
Cur - 5000 N / Fatigue limit load, radial
Main dimensions to DIN 625-1