HOME >> Services >> Partners >> FAG Bearing
FAG Bearing
IKO Bearing
INA Bearing
KOYO Bearing
NACHI Bearing
NSK Bearing
NTN Bearing
SKF Bearing
TIMKEN Bearing

Bearing number : 607-2RSR
Size (mm) : 7x19x6
Brand : FAG
Bore Diameter (mm) : 7
Outer Diameter (mm) : 19
Width (mm) : 6
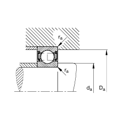
d - 7 mm
D - 19 mm
B - 6 mm
D2 - 16,7 mm
Da max - 17 mm
d1 - 10,6 mm
da min - 9 mm
ra max - 0,3 mm
rmin - 0,3 mm
m - 0,0070 kg / Weight
Cr - 2600 N / Dynamic load rating (radial)
C0r - 1060 N / Static load rating (radial)
nG - 22000 1/min / Limiting speed
nB - - 1/min / Reference speed
Cur - 53 N / Fatigue limit load, radial
Main dimensions to DIN 625-1, lip seal on both side