HOME >> Services >> Partners >> FAG Bearing
FAG Bearing
IKO Bearing
INA Bearing
KOYO Bearing
NACHI Bearing
NSK Bearing
NTN Bearing
SKF Bearing
TIMKEN Bearing

Bearing number : 609-2RSR
Size (mm) : 9x24x7
Brand : FAG
Bore Diameter (mm) : 9
Outer Diameter (mm) : 24
Width (mm) : 7
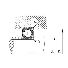
d - 9 mm
D - 24 mm
B - 7 mm
D2 - 20,5 mm
Da max - 22 mm
d1 - 14 mm
da min - 11 mm
ra max - 0,3 mm
rmin - 0,3 mm
m - 0,016 kg / Weight
Cr - 3900 N / Dynamic load rating (radial)
C0r - 1640 N / Static load rating (radial)
nG - 20000 1/min / Limiting speed
nB - - 1/min / Reference speed
Cur - 83 N / Fatigue limit load, radial
Main dimensions to DIN 625-1, lip seal on both side