HOME >> Services >> Partners >> FAG Bearing
FAG Bearing
IKO Bearing
INA Bearing
KOYO Bearing
NACHI Bearing
NSK Bearing
NTN Bearing
SKF Bearing
TIMKEN Bearing

Bearing number : 61800-2Z
Size (mm) : 10x19x5
Brand : FAG
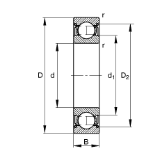
Bore Diameter (mm) : 10
Outer Diameter (mm) : 19
Width (mm) : 5
d - 10 mm
D - 19 mm
B - 5 mm
D2 - 17 mm
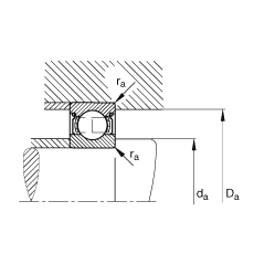
Da max - 17 mm
d1 - 13 mm
da min - 12 mm
ra max - 0,3 mm
rmin - 0,3 mm
m - 0,006 kg / Weight
Cr - 1710 N / Dynamic load rating (radial)
C0r - 790 N / Static load rating (radial)
nG - 46000 1/min / Limiting speed
nB - 27500 1/min / Reference speed
Cur - 40 N / Fatigue limit load, radial
Main dimensions to DIN 625-1