HOME >> Services >> Partners >> FAG Bearing
FAG Bearing
IKO Bearing
INA Bearing
KOYO Bearing
NACHI Bearing
NSK Bearing
NTN Bearing
SKF Bearing
TIMKEN Bearing

Bearing number : 61801-2Z
Size (mm) : 12x21x5
Brand : FAG
Bore Diameter (mm) : 12
Outer Diameter (mm) : 21
Width (mm) : 5
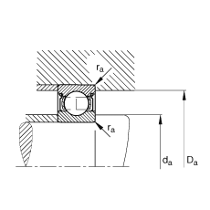
d - 12 mm
D - 21 mm
B - 5 mm
D2 - 19 mm
Da max - 19 mm
d1 - 15 mm
da min - 14 mm
ra max - 0,3 mm
rmin - 0,3 mm
m - 0,0060 kg / Weight
Cr - 1770 N / Dynamic load rating (radial)
C0r - 840 N / Static load rating (radial)
nG - 42500 1/min / Limiting speed
nB - 23500 1/min / Reference speed
Cur - 42,5 N / Fatigue limit load, radial
Main dimensions to DIN 625-1