HOME >> Services >> Partners >> FAG Bearing
FAG Bearing
IKO Bearing
INA Bearing
KOYO Bearing
NACHI Bearing
NSK Bearing
NTN Bearing
SKF Bearing
TIMKEN Bearing

Bearing number : 61802-2Z
Size (mm) : 15x24x5
Brand : FAG
Bore Diameter (mm) : 15
Outer Diameter (mm) : 24
Width (mm) : 5
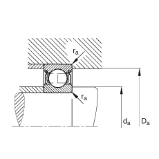
d - 15 mm
D - 24 mm
B - 5 mm
D2 - 22 mm
Da max - 22 mm
d1 - 18 mm
da min - 17 mm
ra max - 0,3 mm
rmin - 0,3 mm
m - 0,008 kg / Weight
Cr - 1980 N / Dynamic load rating (radial)
C0r - 1040 N / Static load rating (radial)
nG - 38000 1/min / Limiting speed
nB - 19200 1/min / Reference speed
Cur - 53 N / Fatigue limit load, radial
Main dimensions to DIN 625-1