HOME >> Services >> Partners >> FAG Bearing
FAG Bearing
IKO Bearing
INA Bearing
KOYO Bearing
NACHI Bearing
NSK Bearing
NTN Bearing
SKF Bearing
TIMKEN Bearing

Bearing number : 61805-2Z
Size (mm) : 25x37x7
Brand : FAG
Bore Diameter (mm) : 25
Outer Diameter (mm) : 37
Width (mm) : 7
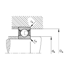
d - 25 mm
D - 37 mm
B - 7 mm
D2 - 34,2 mm
Da max - 35 mm
d1 - 29 mm
da min - 27 mm
ra max - 0,3 mm
rmin - 0,3 mm
m - 0,023 kg / Weight
Cr - 3800 N / Dynamic load rating (radial)
C0r - 2600 N / Static load rating (radial)
nG - 23900 1/min / Limiting speed
nB - 13400 1/min / Reference speed
Cur - 132 N / Fatigue limit load, radial
Main dimensions to DIN 625-1