HOME >> Services >> Partners >> FAG Bearing
FAG Bearing
IKO Bearing
INA Bearing
KOYO Bearing
NACHI Bearing
NSK Bearing
NTN Bearing
SKF Bearing
TIMKEN Bearing

Bearing number : 61806-2Z
Size (mm) : 30x42x7
Brand : FAG
Bore Diameter (mm) : 30
Outer Diameter (mm) : 42
Width (mm) : 7
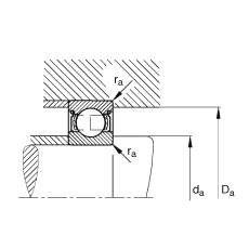
d - 30 mm
D - 42 mm
B - 7 mm
D2 - 39,2 mm
Da max - 40 mm
d1 - 34 mm
da min - 32 mm
ra max - 0,3 mm
rmin - 0,3 mm
m - 0,027 kg / Weight
Cr - 3950 N / Dynamic load rating (radial)
C0r - 2800 N / Static load rating (radial)
nG - 20800 1/min / Limiting speed
nB - 11200 1/min / Reference speed
Cur - 141 N / Fatigue limit load, radial
Main dimensions to DIN 625-1