HOME >> Services >> Partners >> FAG Bearing
FAG Bearing
IKO Bearing
INA Bearing
KOYO Bearing
NACHI Bearing
NSK Bearing
NTN Bearing
SKF Bearing
TIMKEN Bearing

Bearing number : 61811-Y
Size (mm) : 55x72x9
Brand : FAG
Bore Diameter (mm) : 55
Outer Diameter (mm) : 72
Width (mm) : 9
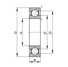
d - 55 mm
D - 72 mm
B - 9 mm
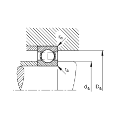
D1 - 66,5 mm
Da max - 70 mm
d1 - 60,6 mm
da min - 57 mm
ra max - 0,3 mm
rmin - 0,3 mm
m - 0,085 kg / Weight
Cr - 9600 N / Dynamic load rating (radial)
C0r - 8500 N / Static load rating (radial)
nG - 17500 1/min / Limiting speed
nB - 6600 1/min / Reference speed
Cur - 510 N / Fatigue limit load, radial
Main dimensions to DIN 625-1