HOME >> Services >> Partners >> FAG Bearing
FAG Bearing
IKO Bearing
INA Bearing
KOYO Bearing
NACHI Bearing
NSK Bearing
NTN Bearing
SKF Bearing
TIMKEN Bearing

Bearing number : 61816-2Z-Y
Size (mm) : 80x100x10
Brand : FAG
Bore Diameter (mm) : 80
Outer Diameter (mm) : 100
Width (mm) : 10
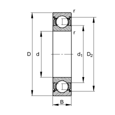
d - 80 mm
D - 100 mm
B - 10 mm
D2 - 95,5 mm
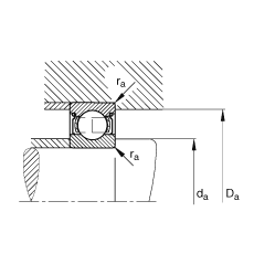
Da max - 96,8 mm
d1 - 86,6 mm
da min - 83,2 mm
ra max - 0,6 mm
rmin - 0,6 mm
m - 0,155 kg / Weight
Cr - 13800 N / Dynamic load rating (radial)
C0r - 13800 N / Static load rating (radial)
nG - 8000 1/min / Limiting speed
nB - 4600 1/min / Reference speed
Cur - 900 N / Fatigue limit load, radial
Main dimensions to DIN 625-1