HOME >> Services >> Partners >> FAG Bearing
FAG Bearing
IKO Bearing
INA Bearing
KOYO Bearing
NACHI Bearing
NSK Bearing
NTN Bearing
SKF Bearing
TIMKEN Bearing

Bearing number : 61824-Y
Size (mm) : 120x150x16
Brand : FAG
Bore Diameter (mm) : 120
Outer Diameter (mm) : 150
Width (mm) : 16
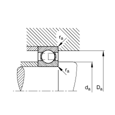
d - 120 mm
D - 150 mm
B - 16 mm
D1 - 140,6 mm
Da max - 145,4 mm
d1 - 129,7 mm
da min - 124,6 mm
ra max - 1 mm
rmin - 1 mm
m - 0,563 kg / Weight
Cr - 30500 N / Dynamic load rating (radial)
C0r - 33000 N / Static load rating (radial)
nG - 7900 1/min / Limiting speed
nB - 3750 1/min / Reference speed
Cur - 1680 N / Fatigue limit load, radial
Main dimensions to DIN 625-1