HOME >> Services >> Partners >> FAG Bearing
FAG Bearing
IKO Bearing
INA Bearing
KOYO Bearing
NACHI Bearing
NSK Bearing
NTN Bearing
SKF Bearing
TIMKEN Bearing

Bearing number : 61826
Size (mm) : 130x165x18
Brand : FAG
Bore Diameter (mm) : 130
Outer Diameter (mm) : 165
Width (mm) : 18
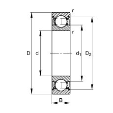
d - 130 mm
D - 165 mm
B - 18 mm
D1 - 153,8 mm
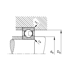
Da max - 159 mm
d1 - 141,3 mm
da min - 136 mm
ra max - 1 mm
rmin - 1,1 mm
m - 0,803 kg / Weight
Cr - 37000 N / Dynamic load rating (radial)
C0r - 40500 N / Static load rating (radial)
nG - 5500 1/min / Limiting speed
nB - 3600 1/min / Reference speed
Cur - 1690 N / Fatigue limit load, radial
Main dimensions to DIN 625-1