HOME >> Services >> Partners >> FAG Bearing
FAG Bearing
IKO Bearing
INA Bearing
KOYO Bearing
NACHI Bearing
NSK Bearing
NTN Bearing
SKF Bearing
TIMKEN Bearing

Bearing number : 61848
Size (mm) : 240x300x28
Brand : FAG
Bore Diameter (mm) : 240
Outer Diameter (mm) : 300
Width (mm) : 28
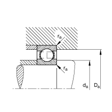
d - 240 mm
D - 300 mm
B - 28 mm
D1 - 280,7 mm
Da max - 291,2 mm
d1 - 260 mm
da min - 248,8 mm
ra max - 2 mm
rmin - 2 mm
m - 3,93 kg / Weight
Cr - 100000 N / Dynamic load rating (radial)
C0r - 124000 N / Static load rating (radial)
nG - 2900 1/min / Limiting speed
nB - 2260 1/min / Reference speed
Cur - 4350 N / Fatigue limit load, radial
Main dimensions to DIN 625-1