HOME >> Services >> Partners >> FAG Bearing
FAG Bearing
IKO Bearing
INA Bearing
KOYO Bearing
NACHI Bearing
NSK Bearing
NTN Bearing
SKF Bearing
TIMKEN Bearing

Bearing number : 61864-M
Size (mm) : 320x400x38
Brand : FAG
Bore Diameter (mm) : 320
Outer Diameter (mm) : 400
Width (mm) : 38
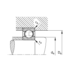
d - 320 mm
D - 400 mm
B - 38 mm
D1 - 373,8 mm
Da max - 389,8 mm
d1 - 347 mm
da min - 330,2 mm
ra max - 2,1 mm
rmin - 2,1 mm
m - 11,3 kg / Weight
Cr - 154000 N / Dynamic load rating (radial)
C0r - 213000 N / Static load rating (radial)
nG - 2750 1/min / Limiting speed
nB - 1710 1/min / Reference speed
Cur - 6300 N / Fatigue limit load, radial
Main dimensions to DIN 625-1