HOME >> Services >> Partners >> FAG Bearing
FAG Bearing
IKO Bearing
INA Bearing
KOYO Bearing
NACHI Bearing
NSK Bearing
NTN Bearing
SKF Bearing
TIMKEN Bearing

Bearing number : 61872-M
Size (mm) : 360x440x38
Brand : FAG
Bore Diameter (mm) : 360
Outer Diameter (mm) : 440
Width (mm) : 38
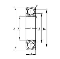
d - 360 mm
D - 440 mm
B - 38 mm
D1 - 413 mm
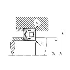
Da max - 429,8 mm
d1 - 387,7 mm
da min - 370,2 mm
ra max - 2,1 mm
rmin - 2,1 mm
m - 12,8 kg / Weight
Cr - 160000 N / Dynamic load rating (radial)
C0r - 235000 N / Static load rating (radial)
nG - 2470 1/min / Limiting speed
nB - 1480 1/min / Reference speed
Cur - 6900 N / Fatigue limit load, radial
Main dimensions to DIN 625-1