HOME >> Services >> Partners >> FAG Bearing
FAG Bearing
IKO Bearing
INA Bearing
KOYO Bearing
NACHI Bearing
NSK Bearing
NTN Bearing
SKF Bearing
TIMKEN Bearing

Bearing number : 61902-2Z
Size (mm) : 15x28x7
Brand : FAG
Bore Diameter (mm) : 15
Outer Diameter (mm) : 28
Width (mm) : 7
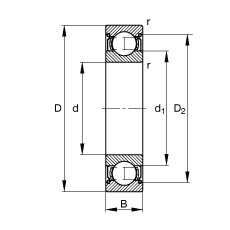
d - 15 mm
D - 28 mm
B - 7 mm
D2 - 25,5 mm
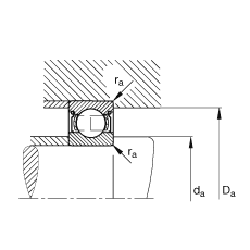
Da max - 26 mm
d1 - 18,8 mm
da min - 17 mm
ra max - 0,3 mm
rmin - 0,3 mm
m - 0,017 kg / Weight
Cr - 4400 N / Dynamic load rating (radial)
C0r - 2260 N / Static load rating (radial)
nG - 32000 1/min / Limiting speed
nB - 20600 1/min / Reference speed
Cur - 114 N / Fatigue limit load, radial
Main dimensions to DIN 625-1