HOME >> Services >> Partners >> FAG Bearing
FAG Bearing
IKO Bearing
INA Bearing
KOYO Bearing
NACHI Bearing
NSK Bearing
NTN Bearing
SKF Bearing
TIMKEN Bearing

Bearing number : 61903-2Z
Size (mm) : 17x30x7
Brand : FAG
Bore Diameter (mm) : 17
Outer Diameter (mm) : 30
Width (mm) : 7
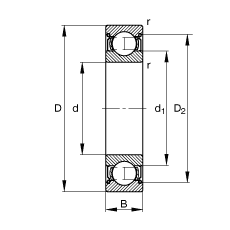
d - 17 mm
D - 30 mm
B - 7 mm
D2 - 27,5 mm
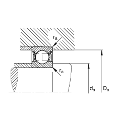
Da max - 28 mm
d1 - 20,8 mm
da min - 19 mm
ra max - 0,3 mm
rmin - 0,3 mm
m - 0,019 kg / Weight
Cr - 4900 N / Dynamic load rating (radial)
C0r - 2550 N / Static load rating (radial)
nG - 29500 1/min / Limiting speed
nB - 18500 1/min / Reference speed
Cur - 129 N / Fatigue limit load, radial
Main dimensions to DIN 625-1