HOME >> Services >> Partners >> FAG Bearing
FAG Bearing
IKO Bearing
INA Bearing
KOYO Bearing
NACHI Bearing
NSK Bearing
NTN Bearing
SKF Bearing
TIMKEN Bearing

Bearing number : 61904-2Z
Size (mm) : 20x37x9
Brand : FAG
Bore Diameter (mm) : 20
Outer Diameter (mm) : 37
Width (mm) : 9
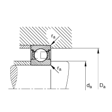
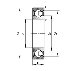
d - 20 mm
D - 37 mm
B - 9 mm
D2 - 33,2 mm
Da max - 35 mm
d1 - 25,2 mm
da min - 22 mm
ra max - 0,3 mm
rmin - 0,3 mm
m - 0,037 kg / Weight
Cr - 6600 N / Dynamic load rating (radial)
C0r - 3650 N / Static load rating (radial)
nG - 23900 1/min / Limiting speed
nB - 17000 1/min / Reference speed
Cur - 184 N / Fatigue limit load, radial
Main dimensions to DIN 625-1