HOME >> Services >> Partners >> FAG Bearing
FAG Bearing
IKO Bearing
INA Bearing
KOYO Bearing
NACHI Bearing
NSK Bearing
NTN Bearing
SKF Bearing
TIMKEN Bearing

Bearing number : 61905-2Z
Size (mm) : 25x42x9
Brand : FAG
Bore Diameter (mm) : 25
Outer Diameter (mm) : 42
Width (mm) : 9
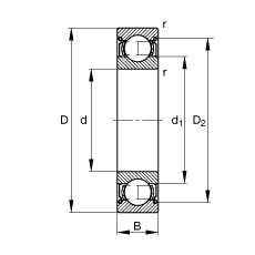
d - 25 mm
D - 42 mm
B - 9 mm
D2 - 38,4 mm
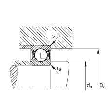
Da max - 40 mm
d1 - 30,2 mm
da min - 27 mm
ra max - 0,3 mm
rmin - 0,3 mm
m - 0,043 kg / Weight
Cr - 7300 N / Dynamic load rating (radial)
C0r - 4550 N / Static load rating (radial)
nG - 20700 1/min / Limiting speed
nB - 14000 1/min / Reference speed
Cur - 231 N / Fatigue limit load, radial
Main dimensions to DIN 625-1