HOME >> Services >> Partners >> FAG Bearing
FAG Bearing
IKO Bearing
INA Bearing
KOYO Bearing
NACHI Bearing
NSK Bearing
NTN Bearing
SKF Bearing
TIMKEN Bearing

Bearing number : 61906-2Z
Size (mm) : 30x47x9
Brand : FAG
Bore Diameter (mm) : 30
Outer Diameter (mm) : 47
Width (mm) : 9
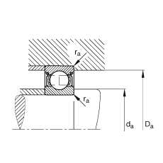
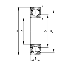
d - 30 mm
D - 47 mm
B - 9 mm
D2 - 43,5 mm
Da max - 45 mm
d1 - 35,2 mm
da min - 32 mm
ra max - 0,3 mm
rmin - 0,3 mm
m - 0,051 kg / Weight
Cr - 7400 N / Dynamic load rating (radial)
C0r - 4600 N / Static load rating (radial)
nG - 18400 1/min / Limiting speed
nB - 11900 1/min / Reference speed
Cur - 233 N / Fatigue limit load, radial
Main dimensions to DIN 625-1