HOME >> Services >> Partners >> FAG Bearing
FAG Bearing
IKO Bearing
INA Bearing
KOYO Bearing
NACHI Bearing
NSK Bearing
NTN Bearing
SKF Bearing
TIMKEN Bearing

Bearing number : 6200-2Z
Size (mm) : 10x30x9
Brand : FAG
Bore Diameter (mm) : 10
Outer Diameter (mm) : 30
Width (mm) : 9
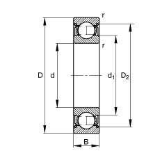
d - 10 mm
D - 30 mm
B - 9 mm
D2 - 25 mm
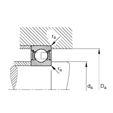
Da max - 25,8 mm
d1 - 16,7 mm
da min - 14,2 mm
ra max - 0,6 mm
rmin - 0,6 mm
m - 0,032 kg / Weight
Cr - 6300 N / Dynamic load rating (radial)
C0r - 2600 N / Static load rating (radial)
nG - 31500 1/min / Limiting speed
nB - 23400 1/min / Reference speed
Cur - 133 N / Fatigue limit load, radial
Main dimensions to DIN 625-1