HOME >> Services >> Partners >> FAG Bearing
FAG Bearing
IKO Bearing
INA Bearing
KOYO Bearing
NACHI Bearing
NSK Bearing
NTN Bearing
SKF Bearing
TIMKEN Bearing

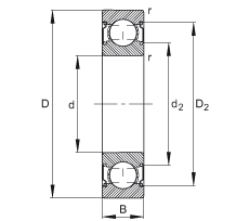
Bearing number : 6200-C-2Z
Size (mm) : 10x30x9
Brand : FAG
Bore Diameter (mm) : 10
Outer Diameter (mm) : 30
Width (mm) : 9
d - 10 mm
D - 30 mm
B - 9 mm
D2 - 26 mm
Da max - 25,8 mm
d2 - 14,9 mm
da min - 14,2 mm
ra max - 0,6 mm
rmin - 0,6 mm
m - 0,032 kg / Weight
Cr - 6600 N / Dynamic load rating (radial)
C0r - 2600 N / Static load rating (radial)
nG - 34500 1/min / Limiting speed
nB - 26000 1/min / Reference speed
Cur - 177 N / radial Fatigue limit load