HOME >> Services >> Partners >> FAG Bearing
FAG Bearing
IKO Bearing
INA Bearing
KOYO Bearing
NACHI Bearing
NSK Bearing
NTN Bearing
SKF Bearing
TIMKEN Bearing

Bearing number : 6201-2Z
Size (mm) : 12x32x10
Brand : FAG
Bore Diameter (mm) : 12
Outer Diameter (mm) : 32
Width (mm) : 10
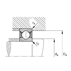
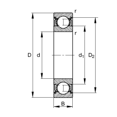
d - 12 mm
D - 32 mm
B - 10 mm
D2 - 27,4 mm
Da max - 27,8 mm
d1 - 18,3 mm
da min - 16,2 mm
ra max - 0,6 mm
rmin - 0,6 mm
m - 0,039 kg / Weight
Cr - 7300 N / Dynamic load rating (radial)
C0r - 3100 N / Static load rating (radial)
nG - 28500 1/min / Limiting speed
nB - 22200 1/min / Reference speed
Cur - 156 N / Fatigue limit load, radial
Main dimensions to DIN 625-1