HOME >> Services >> Partners >> FAG Bearing
FAG Bearing
IKO Bearing
INA Bearing
KOYO Bearing
NACHI Bearing
NSK Bearing
NTN Bearing
SKF Bearing
TIMKEN Bearing

Bearing number : 6203-2Z
Size (mm) : 17x40x12
Brand : FAG
Bore Diameter (mm) : 17
Outer Diameter (mm) : 40
Width (mm) : 12
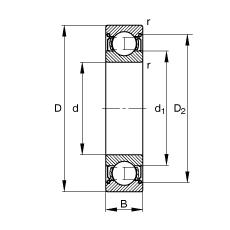
d - 17 mm
D - 40 mm
B - 12 mm
D2 - 34,4 mm
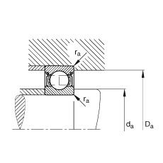
Da max - 35,8 mm
d1 - 24 mm
da min - 21,2 mm
ra max - 0,6 mm
rmin - 0,6 mm
m - 0,067 kg / Weight
Cr - 10100 N / Dynamic load rating (radial)
C0r - 4750 N / Static load rating (radial)
nG - 22300 1/min / Limiting speed
nB - 18100 1/min / Reference speed
Cur - 241 N / Fatigue limit load, radial
Main dimensions to DIN 625-1