HOME >> Services >> Partners >> FAG Bearing
FAG Bearing
IKO Bearing
INA Bearing
KOYO Bearing
NACHI Bearing
NSK Bearing
NTN Bearing
SKF Bearing
TIMKEN Bearing

Bearing number : 6204-2Z
Size (mm) : 20x47x14
Brand : FAG
Bore Diameter (mm) : 20
Outer Diameter (mm) : 47
Width (mm) : 14
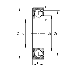
d - 20 mm
D - 47 mm
B - 14 mm
D2 - 41 mm
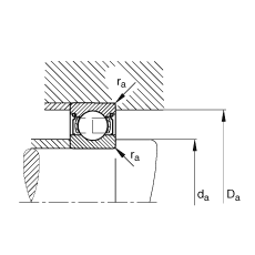
Da max - 41,4 mm
d1 - 28,8 mm
da min - 25,6 mm
ra max - 1 mm
rmin - 1 mm
m - 0,11 kg / Weight
Cr - 13600 N / Dynamic load rating (radial)
C0r - 6600 N / Static load rating (radial)
nG - 18700 1/min / Limiting speed
nB - 16300 1/min / Reference speed
Cur - 335 N / Fatigue limit load, radial
Main dimensions to DIN 625-1