HOME >> Services >> Partners >> FAG Bearing
FAG Bearing
IKO Bearing
INA Bearing
KOYO Bearing
NACHI Bearing
NSK Bearing
NTN Bearing
SKF Bearing
TIMKEN Bearing

Bearing number : 6206-2RSR
Size (mm) : 30x62x16
Brand : FAG
Bore Diameter (mm) : 30
Outer Diameter (mm) : 62
Width (mm) : 16
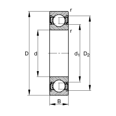
d - 30 mm
D - 62 mm
B - 16 mm
D2 - 54,9 mm
Da max - 56,4 mm
d1 - 40 mm
da min - 35,6 mm
ra max - 1 mm
rmin - 1 mm
m - 0,201 kg / Weight
Cr - 20700 N / Dynamic load rating (radial)
C0r - 11300 N / Static load rating (radial)
nG - 7500 1/min / Limiting speed
nB - - 1/min / Reference speed
Cur - 570 N / Fatigue limit load, radial
Main dimensions to DIN 625-1, lip seal on both side