HOME >> Services >> Partners >> FAG Bearing
FAG Bearing
IKO Bearing
INA Bearing
KOYO Bearing
NACHI Bearing
NSK Bearing
NTN Bearing
SKF Bearing
TIMKEN Bearing

Bearing number : 6214
Size (mm) : 70x125x24
Brand : FAG
Bore Diameter (mm) : 70
Outer Diameter (mm) : 125
Width (mm) : 24
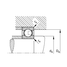
d - 70 mm
D - 125 mm
B - 24 mm
D1 - 108 mm
Da max - 116 mm
d1 - 87,1 mm
da min - 79 mm
ra max - 1,5 mm
rmin - 1,5 mm
m - 1,09 kg / Weight
Cr - 66000 N / Dynamic load rating (radial)
C0r - 44000 N / Static load rating (radial)
nG - 8200 1/min / Limiting speed
nB - 6100 1/min / Reference speed
Cur - 2950 N / Fatigue limit load, radial
Main dimensions to DIN 625-1