HOME >> Services >> Partners >> FAG Bearing
FAG Bearing
IKO Bearing
INA Bearing
KOYO Bearing
NACHI Bearing
NSK Bearing
NTN Bearing
SKF Bearing
TIMKEN Bearing

Bearing number : 6215-2RSR
Size (mm) : 75x130x25
Brand : FAG
Bore Diameter (mm) : 75
Outer Diameter (mm) : 130
Width (mm) : 25
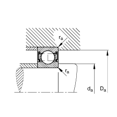
d - 75 mm
D - 130 mm
B - 25 mm
D2 - 115,5 mm
Da max - 121 mm
d1 - 92,1 mm
da min - 84 mm
ra max - 1,5 mm
rmin - 1,5 mm
m - 1,22 kg / Weight
Cr - 70000 N / Dynamic load rating (radial)
C0r - 49000 N / Static load rating (radial)
nG - 3200 1/min / Limiting speed
nB - - 1/min / Reference speed
Cur - 3250 N / Fatigue limit load, radial
Main dimensions to DIN 625-1, lip seal on both side