HOME >> Services >> Partners >> FAG Bearing
FAG Bearing
IKO Bearing
INA Bearing
KOYO Bearing
NACHI Bearing
NSK Bearing
NTN Bearing
SKF Bearing
TIMKEN Bearing

Bearing number : 6216-2Z
Size (mm) : 80x140x26
Brand : FAG
Bore Diameter (mm) : 80
Outer Diameter (mm) : 140
Width (mm) : 26
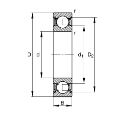
d - 80 mm
D - 140 mm
B - 26 mm
D2 - 124,5 mm
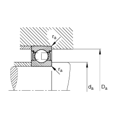
Da max - 129 mm
d1 - 98,5 mm
da min - 91 mm
ra max - 2 mm
rmin - 2 mm
m - 1,49 kg / Weight
Cr - 77000 N / Dynamic load rating (radial)
C0r - 55000 N / Static load rating (radial)
nG - 5600 1/min / Limiting speed
nB - 5500 1/min / Reference speed
Cur - 3550 N / Fatigue limit load, radial
Main dimensions to DIN 625-1