HOME >> Services >> Partners >> FAG Bearing
FAG Bearing
IKO Bearing
INA Bearing
KOYO Bearing
NACHI Bearing
NSK Bearing
NTN Bearing
SKF Bearing
TIMKEN Bearing

Bearing number : 6217
Size (mm) : 85x150x28
Brand : FAG
Bore Diameter (mm) : 85
Outer Diameter (mm) : 150
Width (mm) : 28
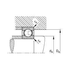
d - 85 mm
D - 150 mm
B - 28 mm
D1 - 129,7 mm
Da max - 139 mm
d1 - 106,6 mm
da min - 96 mm
ra max - 2 mm
rmin - 2 mm
m - 1,87 kg / Weight
Cr - 89000 N / Dynamic load rating (radial)
C0r - 64000 N / Static load rating (radial)
nG - 6700 1/min / Limiting speed
nB - 5300 1/min / Reference speed
Cur - 3950 N / Fatigue limit load, radial
Main dimensions to DIN 625-1