HOME >> Services >> Partners >> FAG Bearing
FAG Bearing
IKO Bearing
INA Bearing
KOYO Bearing
NACHI Bearing
NSK Bearing
NTN Bearing
SKF Bearing
TIMKEN Bearing

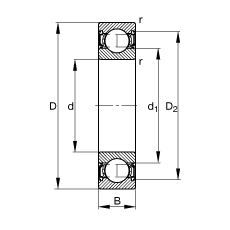
Bearing number : 6217-2RSR
Size (mm) : 85x150x28
Brand : FAG
Bore Diameter (mm) : 85
Outer Diameter (mm) : 150
Width (mm) : 28
d - 85 mm
D - 150 mm
B - 28 mm
D2 - 133,8 mm
Da max - 139 mm
d1 - 106,2 mm
da min - 96 mm
ra max - 2 mm
rmin - 2 mm
m - 1,91 kg / Weight
Cr - 89000 N / Dynamic load rating (radial)
C0r - 64000 N / Static load rating (radial)
nG - 2800 1/min / Limiting speed
nB - - 1/min / Reference speed
Cur - 3950 N / Fatigue limit load, radial
Main dimensions to DIN 625-1, lip seal on both side