HOME >> Services >> Partners >> FAG Bearing
FAG Bearing
IKO Bearing
INA Bearing
KOYO Bearing
NACHI Bearing
NSK Bearing
NTN Bearing
SKF Bearing
TIMKEN Bearing

Bearing number : 6218-2Z
Size (mm) : 90x160x30
Brand : FAG
Bore Diameter (mm) : 90
Outer Diameter (mm) : 160
Width (mm) : 30
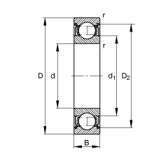
d - 90 mm
D - 160 mm
B - 30 mm
D2 - 143,4 mm
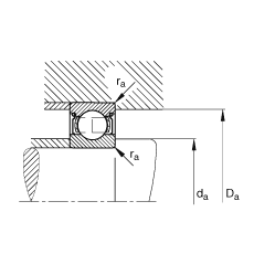
Da max - 149 mm
d1 - 112,3 mm
da min - 101 mm
ra max - 2 mm
rmin - 2 mm
m - 2,26 kg / Weight
Cr - 102000 N / Dynamic load rating (radial)
C0r - 74000 N / Static load rating (radial)
nG - 4850 1/min / Limiting speed
nB - 5100 1/min / Reference speed
Cur - 4400 N / Fatigue limit load, radial
Main dimensions to DIN 625-1