HOME >> Services >> Partners >> FAG Bearing
FAG Bearing
IKO Bearing
INA Bearing
KOYO Bearing
NACHI Bearing
NSK Bearing
NTN Bearing
SKF Bearing
TIMKEN Bearing

Bearing number : 62207-2RSR
Size (mm) : 35x72x23
Brand : FAG
Bore Diameter (mm) : 35
Outer Diameter (mm) : 72
Width (mm) : 23
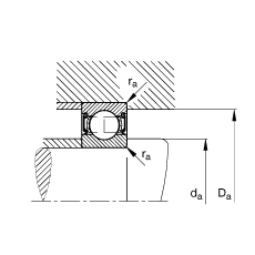
d - 35 mm
D - 72 mm
B - 23 mm
D2 - 63,3 mm
Da max - 65 mm
d1 - 47,2 mm
da min - 42 mm
ra max - 1 mm
rmin - 1,1 mm
m - 0,393 kg / Weight
Cr - 27500 N / Dynamic load rating (radial)
C0r - 15300 N / Static load rating (radial)
nG - 6300 1/min / Limiting speed
nB - - 1/min / Reference speed
Cur - 770 N / Fatigue limit load, radial
Main dimensions to DIN 625-1, lip seal on both side