HOME >> Services >> Partners >> FAG Bearing
FAG Bearing
IKO Bearing
INA Bearing
KOYO Bearing
NACHI Bearing
NSK Bearing
NTN Bearing
SKF Bearing
TIMKEN Bearing

Bearing number : 6221-2Z
Size (mm) : 105x190x36
Brand : FAG
Bore Diameter (mm) : 105
Outer Diameter (mm) : 190
Width (mm) : 36
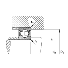
d - 105 mm
D - 190 mm
B - 36 mm
D2 - 168,1 mm
Da max - 178 mm
d1 - 131,5 mm
da min - 117 mm
ra max - 2,1 mm
rmin - 2,1 mm
m - 3,99 kg / Weight
Cr - 141000 N / Dynamic load rating (radial)
C0r - 105000 N / Static load rating (radial)
nG - 4000 1/min / Limiting speed
nB - 4650 1/min / Reference speed
Cur - 5700 N / Fatigue limit load, radial
Main dimensions to DIN 625-1