HOME >> Services >> Partners >> FAG Bearing
FAG Bearing
IKO Bearing
INA Bearing
KOYO Bearing
NACHI Bearing
NSK Bearing
NTN Bearing
SKF Bearing
TIMKEN Bearing

Bearing number : 623
Size (mm) : 3x10x4
Brand : FAG
Bore Diameter (mm) : 3
Outer Diameter (mm) : 10
Width (mm) : 4
d - 3 mm
D - 10 mm
B - 4 mm
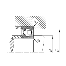
D1 - 7,7 mm
Da max - 8,6 mm
d1 - 5 mm
da min - 4,4 mm
ra max - 0,15 mm
rmin - 0,15 mm
m - 0,0010 kg / Weight
Cr - 670 N / Dynamic load rating (radial)
C0r - 218 N / Static load rating (radial)
nG - 94000 1/min / Limiting speed
nB - 57000 1/min / Reference speed
Cur - 11,1 N / Fatigue limit load, radial
Main dimensions to DIN 625-1