HOME >> Services >> Partners >> FAG Bearing
FAG Bearing
IKO Bearing
INA Bearing
KOYO Bearing
NACHI Bearing
NSK Bearing
NTN Bearing
SKF Bearing
TIMKEN Bearing

Bearing number : 626-2Z
Size (mm) : 6x19x6
Brand : FAG
Bore Diameter (mm) : 6
Outer Diameter (mm) : 19
Width (mm) : 6
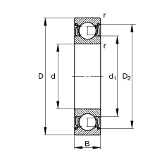
d - 6 mm
D - 19 mm
B - 6 mm
D2 - 16,7 mm
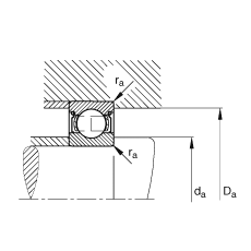
Da max - 16,6 mm
d1 - 10,6 mm
da min - 8,4 mm
ra max - 0,3 mm
rmin - 0,3 mm
m - 0,0080 kg / Weight
Cr - 2600 N / Dynamic load rating (radial)
C0r - 1050 N / Static load rating (radial)
nG - 45000 1/min / Limiting speed
nB - 32500 1/min / Reference speed
Cur - 53 N / Fatigue limit load, radial
Main dimensions to DIN 625-1