HOME >> Services >> Partners >> FAG Bearing
FAG Bearing
IKO Bearing
INA Bearing
KOYO Bearing
NACHI Bearing
NSK Bearing
NTN Bearing
SKF Bearing
TIMKEN Bearing

Bearing number : 629-2Z
Size (mm) : 9x26x8
Brand : FAG
Bore Diameter (mm) : 9
Outer Diameter (mm) : 26
Width (mm) : 8
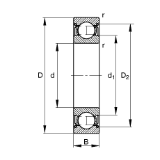
d - 9 mm
D - 26 mm
B - 8 mm
D2 - 22,5 mm
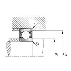
Da max - 23,6 mm
d1 - 14,7 mm
da min - 11,4 mm
ra max - 0,3 mm
rmin - 0,3 mm
m - 0,021 kg / Weight
Cr - 4850 N / Dynamic load rating (radial)
C0r - 1950 N / Static load rating (radial)
nG - 34500 1/min / Limiting speed
nB - 25500 1/min / Reference speed
Cur - 99 N / Fatigue limit load, radial
Main dimensions to DIN 625-1