HOME >> Services >> Partners >> FAG Bearing
FAG Bearing
IKO Bearing
INA Bearing
KOYO Bearing
NACHI Bearing
NSK Bearing
NTN Bearing
SKF Bearing
TIMKEN Bearing

Bearing number : 6303
Size (mm) : 17x47x14
Brand : FAG
Bore Diameter (mm) : 17
Outer Diameter (mm) : 47
Width (mm) : 14
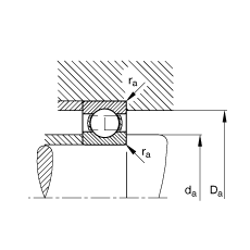
d - 17 mm
D - 47 mm
B - 14 mm
D1 - 37,9 mm
Da max - 41,4 mm
d1 - 26,2 mm
da min - 22,6 mm
ra max - 1 mm
rmin - 1 mm
m - 0,114 kg / Weight
Cr - 14400 N / Dynamic load rating (radial)
C0r - 6500 N / Static load rating (radial)
nG - 22300 1/min / Limiting speed
nB - 15900 1/min / Reference speed
Cur - 330 N / Fatigue limit load, radial
Main dimensions to DIN 625-1